0574-22677468

咨询热线

0574-22663358

top

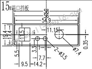
产品说明:  
    *   配套4-08,4-08-1,4-10等外壳端口挡板

    *   此片为6位端子加方孔挡板

    *   此类挡片达到一定量可按要求免费开发
[ 返回上页 ]
产品型号: JGJG15#
产品规格: 58*19.4*2mm
   
 详细参数

PDF图纸下载:(图纸仅供参考,若有改动恕不另行通知,以实物为准)

分享到
 
产品中心
Products